山東海德粉體工程有限公司
暫無信息 |
正壓稀相氣力輸送系統是采用羅茨風機或者羅茨空壓泵作為動力源。利用空氣動能作為輸送介質,物料以比較高的速度并以分散懸浮的狀態在管道中輸送。輸
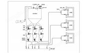
料封泵式正壓稀相氣力輸送系統主要是利用風機產生的氣流在密閉輸送管道中沿氣流方向進行物料輸送,是常用的氣力輸送之一,產品質量可靠,物料在輸送過程中密閉,粉塵飛揚溢出少,環境衛生條件好。

氣力輸送
正壓壓送式氣力輸送是流態化技術的一種具體應用,無論是在質量上還是性能上都有很大保障。

正壓壓送式氣力輸送
料封泵式正壓稀相氣力輸送系統具有全封閉管道輸送,粉塵飛揚少,滿足環保要求等特點,具有分離裝置、除塵裝置、供料裝置、輸送管道、風機等結構。

氣力輸送
氣力輸送是一類利用空氣或氣體流作為輸送動力,在管道中輸送散狀固體物料的技術集成系統,是常見的氣力輸送之一,具有粉體輸送等用途。

氣力輸送
海德粉體公司擁有規模大、試驗功能全、檢測手段的大型綜合性試驗中心,是一家集方案設計、科研開發、設備制造、自動化控制、安裝調試等相關技術服務于一體的系統化集成供應商。

氣力輸送
料封泵式正壓稀相氣力輸送系統是利用壓縮空氣或氣動力將物料從一個點輸送到另一個點的技術,具有整個輸送過程密閉,可有效避免濕氣、雜物污染物料等優點,能用于鑄造、鍛造、鑄造等行業,具有供料裝置、除塵裝置、輸送管道、分離裝置、風機等結構,是流態化技術的一種具體應用。
您感興趣的產品PRODUCTS YOU ARE INTERESTED IN
農機網 設計制作,未經允許翻錄必究 .? ? ?
請輸入賬號
請輸入密碼
請輸驗證碼
請輸入你感興趣的產品
請簡單描述您的需求
請選擇省份

